Products
12KV Outdoor Pole Mounted Circuit Breaker
  • 12KV Outdoor Pole Mounted Circuit Breaker12KV Outdoor Pole Mounted Circuit Breaker
  • 12KV Outdoor Pole Mounted Circuit Breaker12KV Outdoor Pole Mounted Circuit Breaker
  • 12KV Outdoor Pole Mounted Circuit Breaker12KV Outdoor Pole Mounted Circuit Breaker

12KV Outdoor Pole Mounted Circuit Breaker

Model:ZW20-12F
Anqiang Power is a China manufacturer of 12kV outdoor pole mounted circuit breakers. This outdoor pole-mounted power distribution equipment has a rated voltage of 12kV and operates on three-phase AC 50Hz. It features excellent reclosing capabilities when used with a controller, meeting the requirements of distribution automation systems. It is primarily used for switching on and off load currents and short-circuit currents in 10kV power systems, and is used in substations and industrial and mining enterprise distribution systems.

The ZW20-12F 12KV outdoor pole mounted circuit breaker manufactured by Anqiang seamlessly integrates the functions of a vacuum circuit breaker, recloser, and sectionalizer.  Its equipment enclosure utilizes the gas-sealed, explosion-proof, and insulation structure technology of Toshiba's VSP5. The incoming and outgoing line conduits have also been improved for better sealing performance. The spring operating mechanism has been miniaturized, and the main circuit has low contact resistance. Therefore, this outdoor high-voltage circuit breaker is a maintenance-free product and a preferred choice for pole-mounted circuit breakers.

Actual product photos

12KV Outdoor Pole Mounted Circuit Breaker

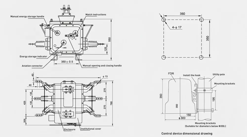
Product dimensions diagram

12KV Outdoor Pole Mounted Circuit Breaker

Technical Parameters

Project

Parameter value

Rated voltage

12kV

Rated frequency

50Hz

Rated current

630/1000 A

Rated short-circuit breaking current

20/25 kA

Rated peak withstand current

50/63 kA

Rated short-time withstand current

20/25 kA

Rated short-circuit making current

50/63 kA

Rated operating sequence

Open - 0.3 seconds - Close - 180 seconds - Open - Close

Mechanical life

10,000 times

Rated current breaking cycles

10,000 times

Rated short-circuit breaking capacity

30 times

SF6 gas rated pressure

0Mpa


Product Advantages

This 12kV outdoor pole mounted circuit breaker features overcurrent protection and a mechanism spring energy storage indicator.  It is also equipped with an aviation connector for secondary electrical connections, facilitating integration with intelligent controllers. Its excellent electrical and mechanical performance makes the ZW20-12F outdoor pole-mounted vacuum circuit breaker widely applicable.


Hot Tags: 12KV Outdoor Pole Mounted Circuit Breaker, Outdoor Electrical Circuit Breaker, High Voltage Circuit Breaker Manufacturer
Send Inquiry
Contact Info
  • Address

    Jinlu Industrial Zone, Beibaixiang Town, Yueqing City, Wenzhou City, Zhejiang Province, China

  • Tel

For inquiries about Circuit Breaker, Load Switch, Disconnect Switch or price list, please leave your email to us and we will be in touch within 24 hours.
X
We use cookies to offer you a better browsing experience, analyze site traffic and personalize content. By using this site, you agree to our use of cookies. Privacy Policy
Reject Accept